Zhejiang Sehnaider Electric Co., Ltd.
Zhejiang Sehnaider Electric Co., Ltd.
Prodotti
BH-0.66-60 Transformers di corrente
  • BH-0.66-60 Transformers di correnteBH-0.66-60 Transformers di corrente

BH-0.66-60 Transformers di corrente

La corrente BH -0.66-60 Transformers adotta la fiamma PC - materiale ritardante e il materiale di conduzione magnetica è un nucleo toroidale ricotto per garantire l'accuratezza del prodotto a livelli 0,2 e 0,5. Per livelli di precisione ultra elevata come 0,2S e 0,5S, solo i magneti superconduttori possono soddisfare tali requisiti di precisione.

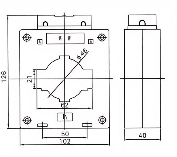
BH-0.66-60 Transformers di corrente è applicabile ai sistemi di alimentazione con una frequenza nominale di 50Hz e una tensione nominale di 0,66 kV, 0,69 kV, 0,5 kV e inferiore per la misurazione di energia elettrica, la misurazione della corrente e la protezione del relè.


Questo attuale trasformatore di Dahu è per uso interno, installato all'interno di armadi e scatole di distribuzione. Presenta un nuovo design a circuito magnetico, metodi di compensazione avanzata, tecniche di elaborazione squisite, prestazioni sicure e affidabili e un aspetto piccolo e bello.


Il guscio esterno è realizzato in fiamma ad alta resistenza - PC ritardante con una struttura completamente chiusa e una valutazione ritardante di V1. Il nucleo interno è realizzato con fogli di acciaio al silicio orientati ad alta qualità. Il diametro del filo è rigorosamente selezionato in base alla densità di corrente economica per garantire un aumento della temperatura inferiore. Con apparecchiature di test avanzate e affidabili, garantisce la conformità agli standard di qualità.


Ha tipi di fori quadrati e rotondi, adatti alla penetrazione del cavo a radice singola o multipla o penetrazione della barra bus radice singola. Ha una serie di prodotti completi, un'ampia varietà di specifiche e una vasta gamma di applicazioni.


Applicazioni

Monitoraggio e misurazione dell'energia

Protezione del circuito e coordinamento del relè

Automazione industriale e sistemi di griglia intelligente

Specifiche tecniche

Tensione nominale: 0,66kv

Frequenza: 50/60Hz

Classe di precisione: 0,5, 1.0 (personalizzabile)

Livello di isolamento: 3kv/min


Parametri tecnici principali

Primaria classificata
corrente (a)
Precisione
lezioni
combinazione
Output secondario classificato (VA) 1S corrente termica (KA) Corrente dinamica classificata (KA)
0,2 (s) 0.2 0.5 10p10
5-40 0.2/10p10
0,5/10p10
/ 10 10 15 90lin 220lin
5-40 100lin 250lin
5-40 20 50
5-40
5-40 36 90
10
5-40 45 100
5-40 56 100
5-40
5-40 80 110
5-40 100 110


Tag caldi: BH-0.66-60 Transformers di corrente
Invia richiesta
Informazioni di contatto
Se hai qualche richiesta sulla citazione o la cooperazione, non esitare a inviarci un'e -mail a fiume@dahuelec.com o utilizzare il seguente modulo di richiesta. Il nostro rappresentante di vendita ti contatterà entro 24 ore. Grazie per il tuo interesse per i nostri prodotti.
X
We use cookies to offer you a better browsing experience, analyze site traffic and personalize content. By using this site, you agree to our use of cookies. Privacy Policy
Reject Accept