Zhejiang Sehnaider Electric Co., Ltd.
Zhejiang Sehnaider Electric Co., Ltd.
Prodotti
BH-0.66-50 Transformers di corrente
  • BH-0.66-50 Transformers di correnteBH-0.66-50 Transformers di corrente

BH-0.66-50 Transformers di corrente

I trasformatori di corrente BH-0.66-50 sono strumenti di precisione progettati per misurazione e monitoraggio accurati delle correnti elettriche in varie applicazioni industriali. Con una corrente nominale di 50A e un rapporto di trasformazione di 0,66, questi trasformatori forniscono capacità di misurazione di corrente affidabili e precise.

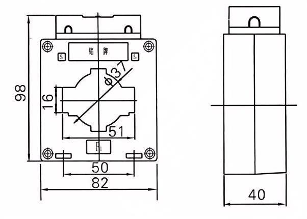
Trasformatore di corrente di resina epossidica interna o trasformatore di corrente di involuta di plastica interna

• monofase, due fasi o tre fasi.

• Tensione nominale: 0,66kv

• Classe di misurazione per CT: 0,2S, 0,2,0,5, 0,5S

• Standard: IEC61869-2

• Nome tipo: BH-0.66-50

Questo trasformatore di corrente di tipo a secco interno viene utilizzato in 0,66 kV, 0,75 kV. Sistema di alimentazione, per misurare e protezione.

È stato utilizzato nei quadri di cubicolo o nelle stazioni di commutazione installate in baia.

La corrente di corrente BH-0.66-50 è realizzata con resina epossidica interno ad alta temperatura, nucleo in lega amorfa per la misurazione e alta qualità all'interno del nucleo per la protezione, l'uso primario e secondario rame elettrolitico puro.


Applicazioni:

Sistemi di distribuzione dell'alimentazione

Sistemi di gestione dell'energia

Monitoraggio delle attrezzature industriali

Sistemi di energia rinnovabile


1. Materiali premium

Nuclei di alta qualità: acciaio al silicio legato alla precisione o nuclei nanocristallini per perdite minime e alta linearità.  

Isolamento robusto: i progetti di resina epossidica garantiscono stabilità a lungo termine in ambienti difficili.  


2. Performance superiori

Precisione: classe 0,2/0,5 per misurazione, 5p/10p per protezione, conforme agli standard IEC 61869, 60044, IEEE e ANSI.  

Ampia intervallo: supporta sistemi da 0,6kv-36kv, con rapporti/frequenza personalizzati (50/60Hz).  

Aumento termico basso: il design ottimizzato riduce il surriscaldamento, estendendo la durata della vita.  

Immunità EMC: scudi contro l'interferenza elettromagnetica per segnali affidabili.  


3. Servizio e supporto

Soluzioni personalizzate: rapporti su misura, dimensioni o connettori (ad es. Terminali IEC).  

Certificazioni globali: approvazioni di GRID IEC, CE, ISO e Local Grid.  

Aiuto tecnico per tutta la vita: supporto 24 ore su 24, 7 giorni su 7, guida all'installazione e fornitura di pezzi di ricambio.  

Consegna rapida: prodotti standard in 2-4 settimane; Opzioni accelerate per esigenze urgenti.  


Parametri tecnici principali

Primaria classificata
corrente (a)
Precisione
lezioni
combinazione
Output secondario classificato (VA) 1S corrente termica (KA) Corrente dinamica classificata (KA)
0,2 (s) 0.2 0.5 10p10
5-40 0.2/10p10
0,5/10p10
/ 10 10 15 90lin 220lin
5-40 100lin 250lin
5-40 20 50
5-40
5-40 36 90
10
5-40 45 100
5-40 56 100
5-40
5-40 80 110
5-40 100 110




Tag caldi: BH-0.66-50 Transformers di corrente
Invia richiesta
Informazioni di contatto
Se hai qualche richiesta sulla citazione o la cooperazione, non esitare a inviarci un'e -mail a fiume@dahuelec.com o utilizzare il seguente modulo di richiesta. Il nostro rappresentante di vendita ti contatterà entro 24 ore. Grazie per il tuo interesse per i nostri prodotti.
X
Utilizziamo i cookie per offrirti una migliore esperienza di navigazione, analizzare il traffico del sito e personalizzare i contenuti. Utilizzando questo sito, accetti il ​​nostro utilizzo dei cookie. politica sulla riservatezza
Rifiutare Accettare