Zhejiang Sehnaider Electric Co., Ltd.
Zhejiang Sehnaider Electric Co., Ltd.
Prodotti
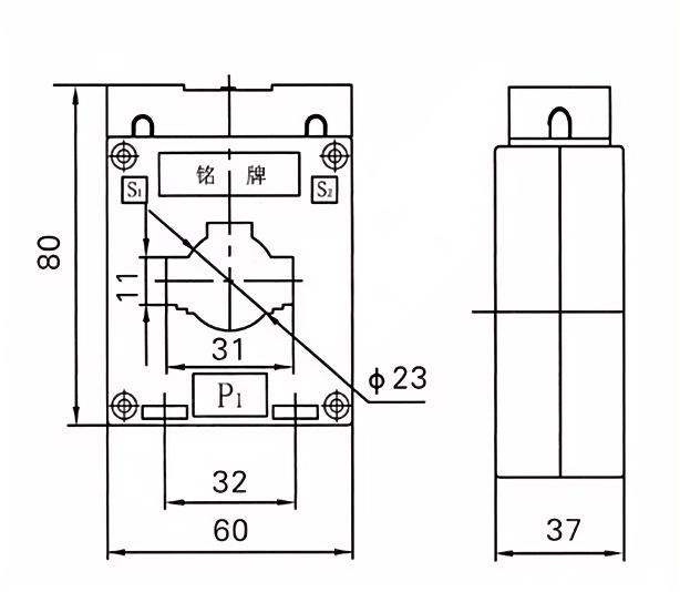
BH-0.66-30 Transformers di corrente
  • BH-0.66-30 Transformers di correnteBH-0.66-30 Transformers di corrente

BH-0.66-30 Transformers di corrente

I trasformatori di corrente BH-0.66-30 (CT) sono strumenti ingegnerizzati di precisione progettati per misurazione e monitoraggio accurati di corrente nei sistemi elettrici a bassa tensione. Con una tensione di isolamento nominale di 0,66 kV, questi trasformatori sono ideali per le applicazioni di gestione dell'energia, trasmissione protettiva e misurazione.

Caratteristiche:

Elevata precisione: soddisfa gli standard IEC 61869, garantendo prestazioni affidabili a fini di fatturazione e monitoraggio.

Design compatto: costruzione di risparmio spaziale per una facile installazione in spazi ristretti.

Intervallo di corrente ampia: corrente primaria fino a 30A, adatta a diversi carichi industriali e commerciali.

Materiali durevoli: un alloggio robusto offre resistenza a fattori ambientali e stress meccanici.

Conformità alla sicurezza: BH-0.66-30 Transformers attuali conformi alle certificazioni internazionali di sicurezza e prestazioni.


Applicazioni:

Misurazione dell'energia nei sistemi di distribuzione dell'energia.

Protezione eccessiva negli interruttori e relè.

Integrazione con griglie intelligenti e soluzioni di monitoraggio basate su IoT.

Specifiche tecniche:

Tensione nominale: 0,66kv

Frequenza: 50/60Hz

Classe di precisione: 0,5, 1.0 (personalizzabile)

Onere: secondo i requisiti del cliente


Parametri tecnici principali

Primaria classificata
corrente (a)
Precisione
lezioni
combinazione
Output secondario classificato (VA) È corrente termica (ka) Corrente dinamica classificata (KA)
0,2 (s) 0.2 0.5 10p10
5-40 0.2/10p10
0,5/10p10
/ 10 10 15 90lin 220lin
5-40 100lin 250lin
5-40 20 50
5-40
5-40 36 90
10
5-40 45 100
5-40 56 100
5-40
5-40 80 110
5-40 100 110


Tag caldi: BH-0.66-30 Transformers di corrente
Invia richiesta
Informazioni di contatto
Se hai qualche richiesta sulla citazione o la cooperazione, non esitare a inviarci un'e -mail a fiume@dahuelec.com o utilizzare il seguente modulo di richiesta. Il nostro rappresentante di vendita ti contatterà entro 24 ore. Grazie per il tuo interesse per i nostri prodotti.
X
Utilizziamo i cookie per offrirti una migliore esperienza di navigazione, analizzare il traffico del sito e personalizzare i contenuti. Utilizzando questo sito, accetti il ​​nostro utilizzo dei cookie. politica sulla riservatezza
Rifiutare Accettare